Cut off switch and starter switch

All the info you need to race E30's

Moderator: martauto

Post Reply
milescook
E30 Zone Camper
E30 Zone Camper
Posts: 1285
Joined: Thu Jan 13, 2011 11:00 pm
Location: The 'bran of Cwm
Contact:

Thu Nov 10, 2011 10:31 pm

Hi guys, I'd like to check something with the electronics savvy if I may...

I want to get this right, and my aim is to install an FIA cuttoff switch :
http://www.demon-tweeks.co.uk/Performan ... 61/0/14986 )

and master switch / starter button :

http://www.demon-tweeks.co.uk/Performan ... 2/0/226129

The cut off switch:

Image

I've labelled the points as shown.

So, looking at the Haynes manual:

Image

my first issue is, I can't see the ignition coil on this diagram. (I am learning....) - though it is on a seperate circuit sheet.

Secondly, is my proposed electric diagram correct? Click on the image and it expands.

Image

Switches S1 and S2 are shown below:

Image

So,
1) On my circuit diagram to clarify what do I connect 2L 2R to? Do they just hijack the live that goes to the ignition coil and pass through the current?

2) Does my circuit work correctly and safely?

Many thanks guys! This may seem pretty obvious to some people but I'm not afraid to learn - I'd just rather not learn the hard way and blow something/myself up.
rix313
E30 Zone Team Member
E30 Zone Team Member
Posts: 4957
Joined: Fri Oct 31, 2008 11:00 pm
Location: Silverstone
Contact:

Fri Nov 11, 2011 2:51 pm

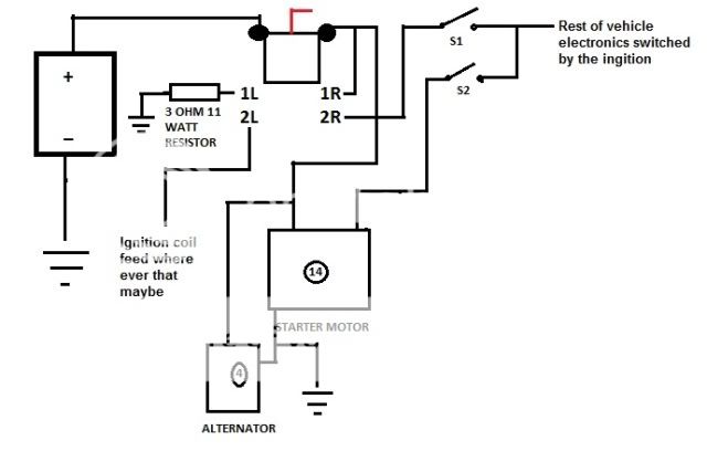
Are you keeping the ignition barrel or are you removing itthat in place of the panel? The first thing I can see is you do not need the wire coming from '15' to '14' as that is what 'S2' is for (unless you wanted to keep both which would be a tad pointless).

S1 is the ignition (as it turns on the electronics). R2 on the kill switch needs to be wired up to S1 as that is now your ingition switch.

S1 cannot go where you've placed it because it will not cope with the high cranking voltage going to the system when you're.....cranking winkeye It needs to go in place of the pins labeled 15 and R1 in item 15, the ingition switch.

Hope that makes sense :mad:

This is a quick diagram of how I believe it should go:

Image

The main live feed which goes to the starter/alternator also goes onto the fuse box.

Also if I'm wrong please correct me any one.
milescook
E30 Zone Camper
E30 Zone Camper
Posts: 1285
Joined: Thu Jan 13, 2011 11:00 pm
Location: The 'bran of Cwm
Contact:

Sun Nov 13, 2011 7:09 pm

Cheers Rich! My first idea was to do away with the ignition barrel, then I considered keeping it for extra security. Above I think I have a neither here or there solution!

I think I get it why you'd have the ignition coil preceding the flip switch. The cut off switch I guess handles all current hence the very beefy terminals. I've bought a couple of metres of battery cable I guess I need another... so one from the battery to the first cut off switch terminal (battery side), and the other from the second cut off terminal (car side) to the starter, which also splits off from there to the alternator already?

Then, would 27 amp wire be sufficient for everything else? In your diagram I didn't realise 1R and 2R joining with the car side terminal was intentional, but I guess it is so you have power running to S1!

Experimented with a multimeter on the kill switch - in the "off" position 1L and 1R are linked, 2L and 2R are not, but in the "on" position it's the opposite. I guess the 1L/1R link in the off position diverts any remaining current to earth via the resistor and this is what stops your electrics frying with the unsed current that should have just gone to the ignition coil?

Quite an interesting lesson in car electrics for me here - maybe that's a bit sad I'm enjoying cracking it but still!
rix313
E30 Zone Team Member
E30 Zone Team Member
Posts: 4957
Joined: Fri Oct 31, 2008 11:00 pm
Location: Silverstone
Contact:

Mon Nov 14, 2011 7:19 pm

milescook wrote:Cheers Rich! My first idea was to do away with the ignition barrel, then I considered keeping it for extra security. Above I think I have a neither here or there solution!
You can still leave it in for security, not a bad idea but the way you had it meant that some one could have nicked it any way. S1 (which powers up the car) was before the key and and the barrel was parrallel to S2 which meant they could still press S2 and drive off.

You could wire up the ingition barrel in series with the S1 switch (this would mean that the key would be needed after S1 has been switched) which would give you a more scure system.

milescook wrote: I think I get it why you'd have the ignition coil preceding the flip switch. The cut off switch I guess handles all current hence the very beefy terminals. I've bought a couple of metres of battery cable I guess I need another... so one from the battery to the first cut off switch terminal (battery side), and the other from the second cut off terminal (car side) to the starter, which also splits off from there to the alternator already?
Yep a live cable from the battery to the kill switch, then one back from the switch to the terminals which were attached to the battery. I used a 2 stud junction box as shown in this photo:

Image

Part number PJ1 from Vehicle Wiring Products.

milescook wrote:Then, would 27 amp wire be sufficient for everything else? In your diagram I didn't realise 1R and 2R joining with the car side terminal was intentional, but I guess it is so you have power running to S1!
I'm not too hot on wire ratings and sizes tbh :roll:

milescook wrote:Experimented with a multimeter on the kill switch - in the "off" position 1L and 1R are linked, 2L and 2R are not, but in the "on" position it's the opposite. I guess the 1L/1R link in the off position diverts any remaining current to earth via the resistor and this is what stops your electrics frying with the unsed current that should have just gone to the ignition coil?
Thas the one :thumb:
milescook
E30 Zone Camper
E30 Zone Camper
Posts: 1285
Joined: Thu Jan 13, 2011 11:00 pm
Location: The 'bran of Cwm
Contact:

Mon Nov 14, 2011 8:24 pm

Super cheers fella!
User avatar
petergg
E30 Zone Newbie
E30 Zone Newbie
Posts: 3
Joined: Sun Nov 06, 2011 11:00 pm
Location: Colchester, Essex.

Tue Nov 15, 2011 5:15 pm

Be careful where you mount the resistor, as they get very hot when cut out is used.
milescook
E30 Zone Camper
E30 Zone Camper
Posts: 1285
Joined: Thu Jan 13, 2011 11:00 pm
Location: The 'bran of Cwm
Contact:

Thu Nov 17, 2011 6:32 pm

Cheers Peter and welcome to the zone. 8)
milescook
E30 Zone Camper
E30 Zone Camper
Posts: 1285
Joined: Thu Jan 13, 2011 11:00 pm
Location: The 'bran of Cwm
Contact:

Sat Dec 03, 2011 10:37 pm

After a bit of head scratching I've clarified something quite important I think! The 2L and 2R terminals for the "ignition coil" - I thought this meant the starter 8O ! Looking at the cables there's no way I could run this thickness and current to the switch using the spade terminals at 2L, and the barrel at 2R. This is for constant ignition spark current surely?

As Rix states above, all live from the battery goes to the cuttoff switch heavy terminal one side and to the rest of the car from the other. 2L and 2R are addressed in this thread:

http://www.e30zone.net/modules.php?name ... 31#2302131

...as it's a bit more technical help and less motorsport I guess!

Obviously.. please correct me if I'm wrong!I'm happt to admit it, and hope this helps someone else as equally as clueless as me... I think in my head I was making this more complicated that it should have been :o:
rix313
E30 Zone Team Member
E30 Zone Team Member
Posts: 4957
Joined: Fri Oct 31, 2008 11:00 pm
Location: Silverstone
Contact:

Thu Dec 08, 2011 11:04 pm

The starter cable tails off from 'M' in the kill switch diagram. 1R and 2R will have to use wire that is capable of supplying the current to the 'ignition switched' systems.

Have you got it sorted?
milescook
E30 Zone Camper
E30 Zone Camper
Posts: 1285
Joined: Thu Jan 13, 2011 11:00 pm
Location: The 'bran of Cwm
Contact:

Fri Dec 09, 2011 4:10 pm

Cheers. The wire to the switches from the cut off is 27 amp - looks the same thickness as the ignition cable t the barrel.

Hoping to turn it over this weekend for the first time in a while, assuming I don't blow anything up.
The story so far... http://www.cookracing.co.uk/

Also please help the race budget by watching some videos :) https://www.youtube.com/cookracinguk
rix313
E30 Zone Team Member
E30 Zone Team Member
Posts: 4957
Joined: Fri Oct 31, 2008 11:00 pm
Location: Silverstone
Contact:

Fri Dec 09, 2011 8:22 pm

How 'tall' is that switch panel? Being a fussy git, I'd be inclined to chop it down to 59mm (assuming there is adequate material to still hold the 'ignition switch' safely)and then sink it back into the radio apature, look nice and neat then 8) Even go so far as to spray it black too winkeye Or make a new blanking plate and fit the switches to that instead.
milescook
E30 Zone Camper
E30 Zone Camper
Posts: 1285
Joined: Thu Jan 13, 2011 11:00 pm
Location: The 'bran of Cwm
Contact:

Sat Dec 10, 2011 7:12 pm

Here we go!

Image

Image

Fired her up with much intrepidation 8O :eek: Jumper car runnig ready to start, connected up the battery, sat down took a breath and turned the big red key! A click, all seemed okay. Switched the ignition on under the red cover, some electical whining as always. Pushed the start button and have been grinning ever since! :D Thanks to all the help I've navigated a cheeky subject and haven't blown myself up, so thanks guys.

I tested the cut off handle and everything died instantly no problem. You can see the resistor dangling for now on the red cable with blue heat shrink. The rest of the wiring there looks a mess but will be bringing the fusebox inside and tidying all that up anyway.

The dash needs to come out again anyway as the cage is going in next month, but I've used a loctite glue gun for the panel blanking and I'm not massively impressed. Someone was talking about black sealant for this sort of job, any idea what they could be talking about? I bought rubber bungs for the battery cables to take them through the bulkhead.
The story so far... http://www.cookracing.co.uk/

Also please help the race budget by watching some videos :) https://www.youtube.com/cookracinguk
rix313
E30 Zone Team Member
E30 Zone Team Member
Posts: 4957
Joined: Fri Oct 31, 2008 11:00 pm
Location: Silverstone
Contact:

Sat Dec 10, 2011 8:23 pm

Nice one :cheers: Did you keep the key barrel or do away with it?

Rubber grommets are defo a must, don't want those cables rubbing through and shorting out.
milescook
E30 Zone Camper
E30 Zone Camper
Posts: 1285
Joined: Thu Jan 13, 2011 11:00 pm
Location: The 'bran of Cwm
Contact:

Sat Dec 10, 2011 8:29 pm

Key barrel is there - reminded myself when I went to drive forward, still needs the key to disengage the steering lock :mad: Extra security bonus!

Chuffed as chips with it all so far.
The story so far... http://www.cookracing.co.uk/

Also please help the race budget by watching some videos :) https://www.youtube.com/cookracinguk
rix313
E30 Zone Team Member
E30 Zone Team Member
Posts: 4957
Joined: Fri Oct 31, 2008 11:00 pm
Location: Silverstone
Contact:

Sat Dec 10, 2011 8:31 pm

Where're you taking it for the cage? I got some quotes off Rollcentre for their bolt in cages and they weren't too bad.
milescook
E30 Zone Camper
E30 Zone Camper
Posts: 1285
Joined: Thu Jan 13, 2011 11:00 pm
Location: The 'bran of Cwm
Contact:

Sat Dec 10, 2011 8:42 pm

The Rollcentre in St Ives. Need to get back to them to confirm so hopefuly it'll be in January, I figured go for a weld in cage to the front and rear struts.
The story so far... http://www.cookracing.co.uk/

Also please help the race budget by watching some videos :) https://www.youtube.com/cookracinguk
milescook
E30 Zone Camper
E30 Zone Camper
Posts: 1285
Joined: Thu Jan 13, 2011 11:00 pm
Location: The 'bran of Cwm
Contact:

Wed Dec 14, 2011 9:34 pm

Having some alternator woes :( At least I think it's the alternator... could be my wiring? Who knows! :mad: http://www.e30zone.net/modules.php?name ... c&t=210877

---

Ah - turns out you need the instrument cluster plugged in for the alternator to start charging! :mad:
The story so far... http://www.cookracing.co.uk/

Also please help the race budget by watching some videos :) https://www.youtube.com/cookracinguk
User avatar
Screacher
E30 Zone Newbie
E30 Zone Newbie
Posts: 147
Joined: Sat Aug 15, 2009 11:00 pm
Location: Toonside

Fri Jan 06, 2012 2:23 pm

Hi Guys,
I'm having similar problems trying to sort out the wiring for my FIA cut-out switch. When I bought the car, it has the main battery cables connected to the main terminals. It isolates the electrics just fine. It also has L1 and R1 connected (presumably to earth through the resistor tho I haven't traced it back to the resistor yet. L2 and R2 are not connected.

As I say, with the switch in the "off" position, all power is cut. When in the "on" position, everything works and I can start the car with the ignition key. However, when I then switch to "off", sometimes the ignition cuts out and sometimes it doesn't :eek:

Having investigated a bit more, it seems that when the ignition light is on on the dashboard (indicating no charge from the alternator??) it works, but when the light is out (as it would be if the throttle is stuck open!) using the kill switch doesn't work. I have been told then I also need to connect L2 and R2 (indeed, that's what the diagrams show) but I don't know which wire on the ignition switch to use :(

Looking at Miles' other thread, he has a nice picture of the ignition switch :thumb:

Image

My question is, which of these cables feeds the coil? Colours would help! Presumably I just need to break that connection and divert via L2/R2.

TIA

Stu
milescook
E30 Zone Camper
E30 Zone Camper
Posts: 1285
Joined: Thu Jan 13, 2011 11:00 pm
Location: The 'bran of Cwm
Contact:

Mon Jan 09, 2012 9:17 pm

Hi Screacher. The reason sometimes the engine dies sometimes not, is you're isolating the battery from the car, however the alternator still produces enough charge to spark the plugs and keep it ticking over. You can in effect run the car without the battery - but this is not recommended!

You are spot on about L2/R2. I'd take a picture of mine but the car went in the rollcentre for a cage this morning!

I took the dash out - not a major drama just the heater switch cables are a fiddle. Almost halfway accross the loom to the ignition closer to the pasenger side I cut through four cables, Thick Green, purple, red and yellow/black. See BrianMooooore's list of wires here http://www.e30zone.net/modules.php?name ... 31#2302131

If you have a multimeter, and are paranoid like me, you can poke one terminal through a wire and the other at the ignition barrel to see if you have a circuit so you know you are cutting the right wire!


The green and purple will need to be routed through your cutoff L2 and R2 to red (live power straight form battery positive) - these are joined when the switch is ON. The green and purple are what allows your car to be powered, so breaking power to green and purple (from red) kills the ignition, as if you'd turned it off using the key. This why your cutoff switch is dual purpose, removes the battery and switches off the ignition. I guess it has another which is any residual power from the car that can't go back to the battery is short circuited back through a ceramic resistor - this works a treat I found out it gets quite hot if you accidently wire your electrics wrong as an emergency in a rush. :roll:

Because I was cutting a few ignition wires I thought I may as well go the whole way and routed the started wire - yellow / black to red (live) via a starter button. The only thing the ignition barrel provides is steering lock. There are a couple of smaller cables for parking lights apparently.
The story so far... http://www.cookracing.co.uk/

Also please help the race budget by watching some videos :) https://www.youtube.com/cookracinguk
Hoobs
E30 Zone Camper
E30 Zone Camper
Posts: 1204
Joined: Wed Sep 16, 2009 11:00 pm
Location: Cornwall

Tue Jan 10, 2012 8:39 am

Handy thread! I've got this to do at the weekend myself. winkeye

Just one question. I am taking the binnacle out and replacing it with a single Stack rev counter so will I need to do something to fool the alternator into charging?
Rally Prep - Cornwall
ARM BMW & Motorsport
2002
E30 M3 2.3 - Alpha N, C/F airbox etc
Hoobs
E30 Zone Camper
E30 Zone Camper
Posts: 1204
Joined: Wed Sep 16, 2009 11:00 pm
Location: Cornwall

Tue Jan 10, 2012 8:42 am

Handy thread! I've got this to do at the weekend myself. winkeye

Just one question. I am taking the binnacle out and replacing it with a single Stack rev counter so will I need to do something to fool the alternator into charging?
Rally Prep - Cornwall
ARM BMW & Motorsport
2002
E30 M3 2.3 - Alpha N, C/F airbox etc
milescook
E30 Zone Camper
E30 Zone Camper
Posts: 1285
Joined: Thu Jan 13, 2011 11:00 pm
Location: The 'bran of Cwm
Contact:

Tue Jan 10, 2012 11:27 am

Short answer,yes! Less productive answer,no idea how! Hopefuly someone more clued up might know?
The story so far... http://www.cookracing.co.uk/

Also please help the race budget by watching some videos :) https://www.youtube.com/cookracinguk
rix313
E30 Zone Team Member
E30 Zone Team Member
Posts: 4957
Joined: Fri Oct 31, 2008 11:00 pm
Location: Silverstone
Contact:

Mon Jan 16, 2012 4:52 pm

How do you mean fool it into charging? The onle cables attached to the alternator is a small wire for the warning light and the large cable which charges the battery, removing the dash clocks won't stop it from charging? :?
milescook
E30 Zone Camper
E30 Zone Camper
Posts: 1285
Joined: Thu Jan 13, 2011 11:00 pm
Location: The 'bran of Cwm
Contact:

Mon Jan 16, 2012 7:47 pm

Rich, http://www.e30zone.net/modules.php?name ... c&t=210877

Turns out without the circuit connected to that batter warning light,in the clocks,the alternator never gets the signal to charge!
Everyday's a school day! :D
The story so far... http://www.cookracing.co.uk/

Also please help the race budget by watching some videos :) https://www.youtube.com/cookracinguk
Post Reply