M42 6-speed swop + SMG to mannual conversion

Discuss general engine, turbo and supercharger conversions in this section

Moderator: martauto

Post Reply
appletree
E30 Zone Addict
E30 Zone Addict
Posts: 3482
Joined: Fri Jan 20, 2006 11:00 pm
Location: Retford

Wed Sep 08, 2010 8:31 pm

So now the M42 rotrex is up and running ive decided to look at another project.

The story so far...

When i did the first eaton supercharger build i found that the engine had lots more torque lower down than the standard engine so decided to fit a longer diff (3.91) to lower the revs at motorway speeds and seeing as i had a good wedge of torque low down the engine could still pull the car along well.

However, no i'm running the Rotrex charger with the engine being like and IS again and haveing all the power up top its changed the way you have to drive he car to get the best from it.

At the minute if your in 2nd booting it and you dont change to 3rd lower than 6500 rpm you find that you drop just below the sweet spot it not laggy, your still gaining speed quick its more that you haven't come "on cam" yet for a want of a better way of putting it, changing at 7000rpm is perfect you drop right on the sweet spot and your off but this isn't always ideal if you want to go quick without thrashing the engine all the time so ive decided to fit a 6 speed box from and E36 M3 evo to see if it helps.

So after chatting with Glenn on here i purchased an E36 M3 evo SMG off him ( very nice chap highly recommended) with the idea of converting it to mannual and then fitting it to my car which is what this thread is about, so here goes.

The SMG box as i got it from Glenn
Image

Image

SMG rubbish removed
Image

The bits to convert the box just needs abit of machining to make it all fit in.
Image

Box drained of oil and split so i can get to the bits i need to machine out.
Image
Image

The Area were all the bits go, this is so the box has a neutral, at the minute the SMG bit knows were neutral is so if i just bolted it up i'd have a floppy about gear stick ( and you don't want one of them)
Image

The blanks on the to right of this picture need machining out to except the dowels that locate a bearing that knows were neutral is :D
Image

Here's a thread from another site that shows what to do to change the box from SMG to mannual and fit it to an E36 M3 not all relivent but the machining is the same for me as them.

http://forums.bimmerforums.com/forum/sh ... 956&page=4

There is another Zone member who has already done the swop on an IS, main thing to do is shorten the prop and weld the larger prop flange on to the IS prop either from a e36 328 or a 5 series auto so if anyone has one laying around let me know :D
Image

You should never underestimate the predictability of stupidity

M42 Supercharged 285bhp + M3 6speed box
GeoffBob
Forced Induction Specialist
Posts: 1843
Joined: Tue Apr 28, 2009 11:00 pm

Fri Sep 10, 2010 8:42 am

Matt, Sorry for the dumb question, but I undertsand that the Getrag SMG 6-speed has identical ratios to the manual 6-speed. In fact (sfaik) they are they same box, the SMG is an "hydraulically automated manual" rather than a true sequential box. So this begs the question, why not just fit the 6-speed manual, which is basically an SMG with the SMG gubbins removed (or the SMG is a manual with the SMG gubbins added, depending how you look at it)?

Sorry, I am sure there is a perfectly obvious answer to this, otherwise you wouldn't have gone to the trouble of converting an E36 SMG-I to manual.

BTW, I fully understand your problem with the Rotrex vs Eaton. The effect you have described is as a direct result of the fact that the Eaton is a "constant displacement" pump, and the Rotrex is not. Swings and roundabouts really. With the Eaton (or any roots pump for that matter) you'll suffer reduced efficiency that'll bite you in the pocket in exchange for the added low rpm grunt. The Lysholm screw (not to be found in the Karma Sutra) is an improvement over the Eaton, but an expensive component.
Image

"It is amazing how many drivers, even at the Formula-1 level, think that brakes are for slowing the car down." - Mario Andretti
Jonsku
E30 Zone Regular
E30 Zone Regular
Posts: 848
Joined: Sun Jul 24, 2005 11:00 pm
Location: Global

Fri Sep 10, 2010 11:25 am

How well does the gearbox bolt on to the engine?
E30 Cabrio M-Tech, powered by V8
E34 M5 3.8 x 2
Alpina D10 Touring #33/93

E46 318i Touring
Toyota Hiace 4wd
appletree
E30 Zone Addict
E30 Zone Addict
Posts: 3482
Joined: Fri Jan 20, 2006 11:00 pm
Location: Retford

Fri Sep 10, 2010 12:25 pm

Box is a direct fit to M42 and M/S50s so no problems there.

Geoff you are right, the difference is that 2nd hand smg boxes are around £100 and manuals are around £400-450 the bits to convert are around £100 including machining.

Only difference between the two is as the smg bit knows were neutral is it doesn't have the spring loaded neutral in the box, which is the bit I'm adding using the parts from a manual box and machine some blanks out that locate the parts to locate neutral. So should save £200ish

Just need to shorten the prop and find gear linkage that's shorter than the IS one as the box is longer the flywheel swaps the same as using a M42 box on a M5X conversion which is what I'm already using, m20 flywheel and starter with a 325 clutch and e21 release bearing, although the release bearing is different on the M5X swop iirc
Last edited by appletree on Fri Sep 10, 2010 5:06 pm, edited 1 time in total.
UweM3
E30 Zone Squatter
E30 Zone Squatter
Posts: 1657
Joined: Sun Jul 03, 2005 11:00 pm

Fri Sep 10, 2010 2:08 pm

are 6 speed manual M3 boxes not a LOT more than £400? I have a figure of £1k in memory when talking about 6 speed M3 boxes. Or do I mix something up here?
DanThe
E30 Zone Team Member
E30 Zone Team Member
Posts: 28641
Joined: Sat Sep 10, 2005 11:00 pm
Location: Staffs
Contact:

Fri Sep 10, 2010 2:46 pm

Maybe your thinking of M60 manual boxes Uwe?

In hindsight I should have used an S50 6 speed for a lot less agro
glenn
Engine Transplant Services
Engine Transplant Services
Posts: 2198
Joined: Sat Jan 29, 2005 11:00 pm
Location: blackwood, south wales

Fri Sep 10, 2010 4:01 pm

appletree wrote:
So after chatting with Glenn on here i purchased an E36 M3 evo SMG off him ( very nice chap highly recommended)
level vibes matt :cool:


good luck,
i'm sure there are a few people here interested in this box modification / swap.
appletree
E30 Zone Addict
E30 Zone Addict
Posts: 3482
Joined: Fri Jan 20, 2006 11:00 pm
Location: Retford

Fri Sep 10, 2010 6:56 pm

DanThe wrote:Maybe your thinking of M60 manual boxes Uwe?

In hindsight I should have used an S50 6 speed for a lot less agro
How much further back does the M50 sit in the bay than the M42?

What gear linkage do you use when you fit a M42 box on an M42?

Don't suppose you know what length gear linkage comes on what box do you Dan? :D
Image

You should never underestimate the predictability of stupidity

M42 Supercharged 285bhp + M3 6speed box
DanThe
E30 Zone Team Member
E30 Zone Team Member
Posts: 28641
Joined: Sat Sep 10, 2005 11:00 pm
Location: Staffs
Contact:

Fri Sep 10, 2010 9:10 pm

The standard linkages are used with a 6 speed S50 box I believe, the linkages are easy to mod yourself TBH, I have a shortened one on my 3 litre, piece of bent steel and some nuts/bolts/screws to hold the alloy brace together
appletree
E30 Zone Addict
E30 Zone Addict
Posts: 3482
Joined: Fri Jan 20, 2006 11:00 pm
Location: Retford

Sat Sep 11, 2010 10:01 pm

After reading the threads and ordering the parts i can now let people know what they actualy need to order to get this job done.

This is a pic of the box in 6 speed mannual form and the link to RealOEM below for the part numbers.
Image
http://www.realoem.com/bmw/showparts.do ... g=23&fg=15

So parts needed are

1
2
5
6

You also need 2x parts

3
4

but DON'T ORDER parts 3 and 4 seperatly as there is a Repair package for a common problem on a 5 speed box that will give you the correct parts (see Pics)

This is the repair package but the number does not exsist on RealOEM or BMWfans parts sites althought the dealer can order the bits for you.

Image

What you get

Image

Now to be sure i ordered all the bits so i could check them out before fitting them so heres the pics, parts on the left are the repair kit parts and the right is ordered from the above drawing.

Curclip
Image

Cover, notice the repair one looks like it will locate the spring better.

Spring side
Image
Outside
Image

These bits will then fit in these blanks when the box is machined out.

Blanks outside
Image

Blanks inside
Image

Then the sleeves will press in
Image

Then the dowels/pins that locate the bearing can be fitted.
Image

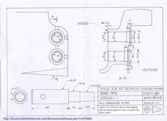
Heres the drawing for machining the blanks out stolen from bimmerforums thread at the top
Image

:D
Image

You should never underestimate the predictability of stupidity

M42 Supercharged 285bhp + M3 6speed box
GeoffBob
Forced Induction Specialist
Posts: 1843
Joined: Tue Apr 28, 2009 11:00 pm

Sun Sep 12, 2010 10:31 am

appletree wrote:Geoff you are right, the difference is that 2nd hand smg boxes are around £100 and manuals are around £400-450 the bits to convert are around £100 including machining.
Ah, I see. That's a big £ saving and a good reason to convert an SMG box.

I just had look at that drawing you posted above Matt. I have to confess, that's the first time I have ever seen a bible quote on a technical drawing :? . Quite unusual. Maybe the author wasn't sure what to fill in where it said "tolerance" :roll:

The Getrag 420g is an excellent gearbox BTW. I knew that Getrag would one day come up with something as good as the Toyota W55 :eek:

:wink: :wink: :wink:
Image

"It is amazing how many drivers, even at the Formula-1 level, think that brakes are for slowing the car down." - Mario Andretti
appletree
E30 Zone Addict
E30 Zone Addict
Posts: 3482
Joined: Fri Jan 20, 2006 11:00 pm
Location: Retford

Sat Nov 13, 2010 4:27 pm

So ive finaly been able to get some work done on the box conversion.

I picked up the box from the local machine show on wednesday so ive spent the rest of the week putting it back to geather when ever i got a spare minute to work on it.

Some pics.

The way it came back from the machine shop, the maine problem being machining the circlip groove when you cant spin the box around, thank god for small cutters and CNC :D

Image

Fist of all on the build up i had to make a tool to press/knock the sleeves in for the selector pistons.

Heres the tool next to the sleeve

Image

The sleeve on the tool up to the sholder

Image

The sleeve now fitted in to the casting

Image

Next bit todo was to start fitting the selector arm back in, first of all i had to press the new bearing on the the arm which was easy enough it just had to go right the way up.

Image

Then it was time to insert the springs, covers and circlips. I used the piller drill with a bolt in the chuck to make a press to help compress the spring as i fitted the circlip.

Covers and circlips fitted

Image

Now the spring holder for the selector can go on.

The little hole in the casting is for a second spring locator that is the last bit to be added.

Image

You can see the hole for the pin below

Image

The pin

Image

Now woth the pin pressed in the box in to all intence and perposes a manual box :cool:

Image

Image

Final part of the conversion was to join both half of the box back togeather using a small amount of hylomar on the gasket faces :D

Image

Just need to play around with the prop now :D
Image

You should never underestimate the predictability of stupidity

M42 Supercharged 285bhp + M3 6speed box
e301988325i
E30 Zone Addict
E30 Zone Addict
Posts: 3701
Joined: Fri Feb 01, 2008 11:00 pm
Location: Taunton, Somerset

Sat Nov 13, 2010 5:31 pm

So what are the ratios of this box, and correct me if I'm wrong but I believe it should bolt to an M20 as well?
I said:

Can anyone suggest how to test if the boot lights are staying on with the boot shut?

e30topless said:

lock the wife in there
appletree
E30 Zone Addict
E30 Zone Addict
Posts: 3482
Joined: Fri Jan 20, 2006 11:00 pm
Location: Retford

Sat Nov 13, 2010 8:41 pm

Not sure on the M20, think the angle is wrong obviously its ok for the M/S50 conversions as they can use the IS box, just need to work out which slave and release bearing to use, but I think it will be M20 flywheel 325 clutch and e21 323 release bearing. :D
Image

You should never underestimate the predictability of stupidity

M42 Supercharged 285bhp + M3 6speed box
User avatar
baptie0
E30 Zone Regular
E30 Zone Regular
Posts: 624
Joined: Tue Sep 25, 2007 11:00 pm
Location: lochinver,scotland.

Sat Nov 13, 2010 8:47 pm

what about the propshaft? :)
Silverfang
E30 Zone Regular
E30 Zone Regular
Posts: 937
Joined: Fri Dec 23, 2005 11:00 pm
Location: Northampton

Sat Nov 13, 2010 11:48 pm

Interesting project there Appletree, and looks good!
A thought on the propshaft problem, try talking to Reco Prop in Luton, they do all kinds of work and balancing services for propshafts, should be to weld the front of yours up.
BMW and Opel, both RWD, both german, both good fun
http://www.clockservicing.co.uk/ For any clock repairs try here.
Rav335uk
E30 Zone Meets/Events Team
E30 Zone Meets/Events Team
Posts: 27985
Joined: Wed Jan 19, 2005 11:00 pm
Location: Mad mad mad
Contact:

Sat Nov 13, 2010 11:52 pm

Nice work there, should be a dream when it works
Image
If you Got "Haters",Then your doing something Right!
CR24v??? Where's it all gone?? LOL
GeoffBob
Forced Induction Specialist
Posts: 1843
Joined: Tue Apr 28, 2009 11:00 pm

Sun Nov 14, 2010 9:49 am

Looking good Matt :thumb:
Image

"It is amazing how many drivers, even at the Formula-1 level, think that brakes are for slowing the car down." - Mario Andretti
appletree
E30 Zone Addict
E30 Zone Addict
Posts: 3482
Joined: Fri Jan 20, 2006 11:00 pm
Location: Retford

Mon Dec 20, 2010 8:16 pm

Bit of progress to report, box is now bolted up with with a shorted and welded alloy shifter bracket along with new bushes and a shorted and welded IS gear selector rod. Pics to follow

I ended up using the same set up on the clutch that was on the IS anyway, the 325 flywheel, e21 realese bearing and 325 csach clutch as when measuring up the box there was only 1mm diference by the time it was built up so i should be ok.

today i went to hose direct local to me to get a custom clutch hose made up e30 on the chassis end and e36 on the gearbox side so i can still use the e36 m3 slave cylinder all being well, although i dont know if it will work well with my current e30 master cylinder. :D

i'll report back on the clutch set up by the end if the week with any luck once there bolted up. :D
Image

You should never underestimate the predictability of stupidity

M42 Supercharged 285bhp + M3 6speed box
glenn
Engine Transplant Services
Engine Transplant Services
Posts: 2198
Joined: Sat Jan 29, 2005 11:00 pm
Location: blackwood, south wales

Mon Dec 20, 2010 8:44 pm

appletree wrote: although i dont know if it will work well with my current e30 master cylinder. :D
i'm sure it'll be fine matt,
i've used these slave's with e30 master cyl's on a couple of swaps
appletree
E30 Zone Addict
E30 Zone Addict
Posts: 3482
Joined: Fri Jan 20, 2006 11:00 pm
Location: Retford

Mon Dec 20, 2010 10:01 pm

Good stuff Glenn, i was hoping it would be streight forward, as extra expense at this time of year is not ideal... :D

....and i can get it running sooner :D
Image

You should never underestimate the predictability of stupidity

M42 Supercharged 285bhp + M3 6speed box
Simon13
The longest resto in the world !
Posts: 22697
Joined: Mon Jan 10, 2005 11:00 pm
Location: Camberley, Surrey don't u know

Mon Dec 20, 2010 10:09 pm

what a great project. v.interesting
appletree
E30 Zone Addict
E30 Zone Addict
Posts: 3482
Joined: Fri Jan 20, 2006 11:00 pm
Location: Retford

Mon Jan 24, 2011 7:59 pm

Just thought i would finaly update this thread with the progress ive made.

So ive fitted the E36 M3 slave cylinder for the clutch along with a custom braided clutch hose. Think it was a number 21 ?? where as the standard E30 one is 18??

i was alittle bit worried that the differance with the slave cyliders would make the clutch to soft/to hard but i needn't have worried as it works a treat although the point of engament is alittle lower than it was but nothing major.

So with the new slave fitted and the clutch seaming to work all i had to do was swop the flanges on the e30 prop to the e36 flange and shorten it alittle, so i made up the below drawing and sent both shafts off to Bailey morris (www.baileymorris.co.uk) and i pick them up two days later shortend, balanced, with a new centre bearing, painted and with the new flange on for the reasonable sum of £140

Image

After fitting the shaft, which bolted streight up perfectly with new bolts and locking nuts from bmw i took the car for the first test drive and after an enital problem with the wide band lambda resonating againt the gearbox cross member (which has now been moved) i can confirm that its made a bid differance and is pritty rapid with the shorter gear ratios although still sits at a good RPM on the motorway as the top gear is only 0.03 different to the old 5 speed unit.

Last thing to sort out is the gear shifter which i seam to have fitted the wrong way round and made the linkage slightly to long as on the forward gears your hand is just alittle close to the centre console, although i think there maybe a quick fix which would be to fit the z3M gear stick as even though i have the z3 1.9 "short shift" fitted the throw of the stick is alittle to long for my liking with the new box.

Lastly i would just like to say a big thanks to DaveM3 who has already done this conversion on his IS and has been helping me out with what parts to use. :cool:
Image

You should never underestimate the predictability of stupidity

M42 Supercharged 285bhp + M3 6speed box
glenn
Engine Transplant Services
Engine Transplant Services
Posts: 2198
Joined: Sat Jan 29, 2005 11:00 pm
Location: blackwood, south wales

Mon Jan 24, 2011 8:16 pm

job done matt,
well done
:cool:
GeoffBob
Forced Induction Specialist
Posts: 1843
Joined: Tue Apr 28, 2009 11:00 pm

Mon Jan 24, 2011 8:48 pm

Great work Matt, Well done :thumb:
Image

"It is amazing how many drivers, even at the Formula-1 level, think that brakes are for slowing the car down." - Mario Andretti
Kedge
Old Skooler
Old Skooler
Posts: 7702
Joined: Thu Jan 13, 2005 11:00 pm
Location: Leicestershire

Tue Jan 25, 2011 12:02 am

Nice one Matt, top work as always.

What your next project going to be?
Image
'86 Polaris 316 M20B28 Rebuild
Instagram - Kedge85
appletree
E30 Zone Addict
E30 Zone Addict
Posts: 3482
Joined: Fri Jan 20, 2006 11:00 pm
Location: Retford

Tue Jan 25, 2011 8:49 pm

A new gate across the drive to keep the dog in LOL (Matts Dad)
Image

You should never underestimate the predictability of stupidity

M42 Supercharged 285bhp + M3 6speed box
appletree
E30 Zone Addict
E30 Zone Addict
Posts: 3482
Joined: Fri Jan 20, 2006 11:00 pm
Location: Retford

Tue Jan 25, 2011 9:31 pm

Oi, get off my thread you diesel driving peasant! Even if it is five cylinder goodness its still wrong wheel drive! :twisted:
Image

You should never underestimate the predictability of stupidity

M42 Supercharged 285bhp + M3 6speed box
appletree
E30 Zone Addict
E30 Zone Addict
Posts: 3482
Joined: Fri Jan 20, 2006 11:00 pm
Location: Retford

Wed Jan 26, 2011 5:23 pm

Same number of gears though, now you've caught up !!!! (Matts Dad again).
Image

You should never underestimate the predictability of stupidity

M42 Supercharged 285bhp + M3 6speed box
Silverfang
E30 Zone Regular
E30 Zone Regular
Posts: 937
Joined: Fri Dec 23, 2005 11:00 pm
Location: Northampton

Wed Jan 26, 2011 6:24 pm

:teehee:
Account rapeage at it's finest, top work that man!

Sounds like you're into a winner though, few refinements and it'll be perfect Appletree
BMW and Opel, both RWD, both german, both good fun
http://www.clockservicing.co.uk/ For any clock repairs try here.
Dave_M3
E30 Zone Addict
E30 Zone Addict
Posts: 3428
Joined: Sat Jun 24, 2006 11:00 pm
Location: Cork

Fri Feb 25, 2011 9:06 am

Awesome thread on this Matt!!!

I really should have took more pictures and did as much drawings when I did mine and I would have been able to help abit more :o


As I had a fooked E36 M3 Evo box I got for free, I kinda just went with the "throw it on and see what its like" approach :D

Spent abit more time planning it when fitting the E46 box but after suffering lifting 420 getrags in and out 3 or 4 times by the end of it with clutches that didn't suit me I wasn't in the mood for taking many pictures while being out on my driveway last year on a cold February evening :p

Would love to get a spin in this as must be properly rapid now. My iS with a 4.1 and only 150-160bhp was on par with quick E36 328s and once not too far behind an E36 M3 Evo over a 1/4 mile stretch although he did have an awful start with a slipping clutch in his defense...

I'll be dropping down to a 3.91 I think when I have the 2.1 built as it won't quite have the same torque and outright grunt of the Rotrex.
appletree
E30 Zone Addict
E30 Zone Addict
Posts: 3482
Joined: Fri Jan 20, 2006 11:00 pm
Location: Retford

Fri Feb 25, 2011 8:01 pm

Thanks Dave, should we meet up at some point your welcome for a pass ride :D

Its definatly good fun. i'm running a 3.91 lsd at the minute and its the best of both the 4.1 and the 3.64 :D
Image

You should never underestimate the predictability of stupidity

M42 Supercharged 285bhp + M3 6speed box
Dave_M3
E30 Zone Addict
E30 Zone Addict
Posts: 3428
Joined: Sat Jun 24, 2006 11:00 pm
Location: Cork

Sat Feb 26, 2011 3:09 am

Yep, I must try make Santa-Pod this year.
iS won't be there as no time nor money to finish that the way I want it so I'll just bring the Touring.


The 4.1 and 6 speed was great craic in my iS with not much more than standard power... 2nd gear donuts and 3rd drifting are abit of a novelty too to be fair :o
M42 rightness above 6500rpm, nobody can hear you scream
Post Reply