Wanna enjoy my 2.5 - pleeeeeeeease
Moderator: martauto
im out of ideas with my cab, it wont start. the starter for some reason wont mesh with the flywheel and ive tried 3 starter motors. i can hear the solenoid clicking and the motor spinning! i know the engine runs but im sick to the back teeth of trying...
..so im thinking of breaking it as nobody is gonna buy a non running cab and i can make more breaking it. now i don't know what i can expect to recoup by breaking it, so im asking here. its a J reg, it has a saloon m tech 2 kit on it in reasonable nick, the grey check sports interior in good but grubby cond, some 15inch alloys, lowered suspension, a 2.5 m20, the panels are quite straight (bar the ns wing, its rotten)
any ideas or guesses?
cheers
jon
..so im thinking of breaking it as nobody is gonna buy a non running cab and i can make more breaking it. now i don't know what i can expect to recoup by breaking it, so im asking here. its a J reg, it has a saloon m tech 2 kit on it in reasonable nick, the grey check sports interior in good but grubby cond, some 15inch alloys, lowered suspension, a 2.5 m20, the panels are quite straight (bar the ns wing, its rotten)
any ideas or guesses?
cheers
jon
Last edited by JonDubber on Thu Jul 12, 2007 8:24 pm, edited 1 time in total.
-
Martinaston
- E30 Zone Addict

- Posts: 3749
- Joined: Mon Mar 14, 2005 11:00 pm
- Location: London
Sounds like you may have stripped the teeth on the flywheel.
Get what you can for it (how much do you want for the roof?)
Get what you can for it (how much do you want for the roof?)
There is NO nucleus.
-
steerfromtherear
- E30 Zone Regular

- Posts: 775
- Joined: Thu Apr 28, 2005 11:00 pm
- Location: Bridgwater(home) Bristol(work)
Ive got a euro ish Mk1 gti cab I might be able to do you a deal if your quick.
http://www.pistonheads.co.uk/sales/183054.htm
http://www.pistonheads.co.uk/sales/183054.htm

This may sound stupid but have you got the correct starter motor?I had the same prob with my sisters car.Tried several different ones from the breakers,until i noticed the teeth were different sizes!!!Even the "specialist" didnt notice
Anyhoo found one that matched and off she went!

I've tried a few different types of starters mate, two have had the same no of teeth, then the new one had a larger gear and it still didn't work - I'm gutted as I love the car but it's too much headwork to add to getting my MK2 golf GTI on the road, as well as my 1.8T conversion.
Steerfromtherear, PM sent
Steerfromtherear, PM sent
- tommype30cab
- E30 Zone Newbie

- Posts: 165
- Joined: Sun Aug 27, 2006 11:00 pm
- Location: The moon
i know this sounds stupid but i once spent ages doing this and it was because i had the starter wired up wrong if i remember, im sure you have done already but double check incase. good luck
"Racing is life. Anything that happens before or after is just waiting" Steve Mcqueen
-
raulandthetwins
- E30 Zone Newbie

- Posts: 68
- Joined: Wed Oct 11, 2006 11:00 pm
- Location: Swindon
If you break i may take a look at the interior
cheers
cheers
-
Martinaston
- E30 Zone Addict

- Posts: 3749
- Joined: Mon Mar 14, 2005 11:00 pm
- Location: London
You sound like you know how to pull the thing apart so at a guess you've had it in bits before, if you have are you sure you put spacer ring (part 10 in the link) on TOP of the flywheel and NOT in between the flywheel and crank.
If you have it will make the flywheel sit too far back which may be why the starters not contacting the ring gear. It will also be out of balance, not something you want at 6000rpm.
http://www.realoem.com/bmw/showparts.do ... g=11&fg=20
If you have it will make the flywheel sit too far back which may be why the starters not contacting the ring gear. It will also be out of balance, not something you want at 6000rpm.
http://www.realoem.com/bmw/showparts.do ... g=11&fg=20
There is NO nucleus.
-
Martinaston
- E30 Zone Addict

- Posts: 3749
- Joined: Mon Mar 14, 2005 11:00 pm
- Location: London
Just had a rethink, that shouldn't even be possible because there should be a pin in there somewhere. 
The only other thing i can think of is you have the wrong flywheel, but then one of the starters should have worked.
The only other thing i can think of is you have the wrong flywheel, but then one of the starters should have worked.
There is NO nucleus.
have you checked you are getting full voltage to the solenoid when attempting to start?? Maybe a loose/bad connection somewhere causing the solenoid not to fire in fully? Even dodgy ignition switch with bad contact??
lee
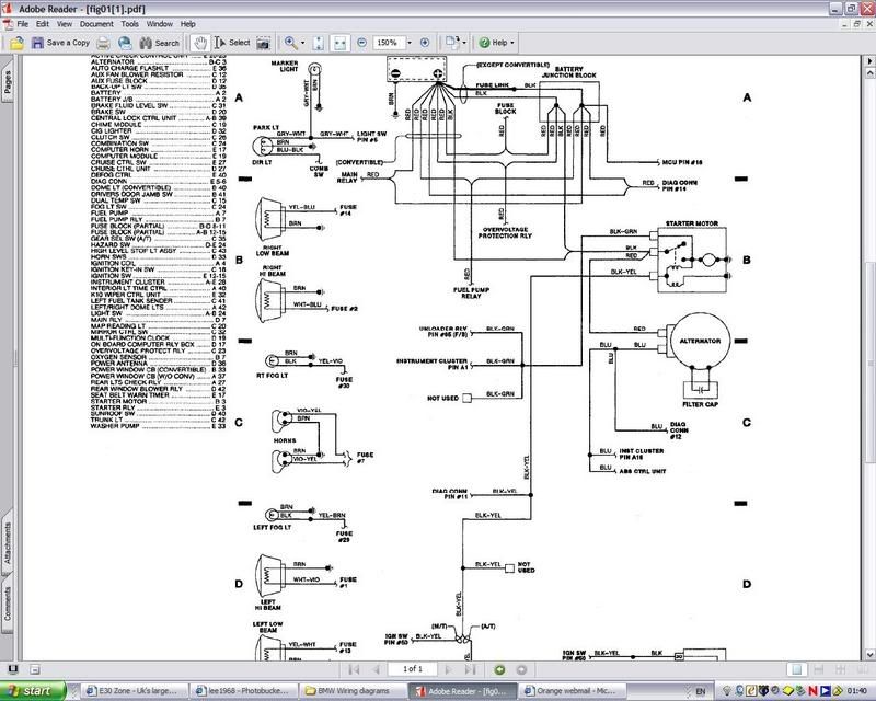
i have a wiring diagram somewhere ill post it in a minute.
lee
i have a wiring diagram somewhere ill post it in a minute.

1989 SCHWARZ 320i SE , 4 DOOR!!!!
You say the magic's gone,Well i'm not a magician
You say the spark's gone
Well get an electrician..........
Right dont know how good this will look but...

link to pic
http://i33.photobucket.com/albums/d80/l ... tarter.jpg

link to pic
http://i33.photobucket.com/albums/d80/l ... tarter.jpg

1989 SCHWARZ 320i SE , 4 DOOR!!!!
You say the magic's gone,Well i'm not a magician
You say the spark's gone
Well get an electrician..........
Martin, I didn't strip it down to that extent, but I appreciate the input - getting desperate now!
Topspark, I've tried bypassing the ignition switch using pins 11 and 14 in what I assume is the diagnostic port (?) and it was exactly the same, so what I should do is trace the black/yellow wire and do a resistance test on it?
Cheers for the help lads, I have a feeling it is wiring related - thinking back, once bump started it would work fine, but if left for 2 days plus, it wouldn't work again.
Topspark, I've tried bypassing the ignition switch using pins 11 and 14 in what I assume is the diagnostic port (?) and it was exactly the same, so what I should do is trace the black/yellow wire and do a resistance test on it?
Cheers for the help lads, I have a feeling it is wiring related - thinking back, once bump started it would work fine, but if left for 2 days plus, it wouldn't work again.
i have had a similar issue on 3 cars so far - the yellow/black wire has a break in it somewhere - connect it from under the glovebox to where it goes on the starter - try in and vroom vroom (hopefully!)
failing that - how much are you after for the whole car?
where are you based?
Q
failing that - how much are you after for the whole car?
where are you based?
Q
BMW E30 2.0 Convertible (M52B28)
BMW E30 2.0 2 Door (M20B28 Turbo project to start)
BMW E36 328i Sport (M52B28 Turbo Project)
http://www.e30zone.net/modules.php?name ... ic&t=68663
BMW E30 2.0 2 Door (M20B28 Turbo project to start)
BMW E36 328i Sport (M52B28 Turbo Project)
http://www.e30zone.net/modules.php?name ... ic&t=68663
-
tonybtonyb
- E30 Zone Addict

- Posts: 3580
- Joined: Wed Jun 13, 2007 11:00 pm
- Location: essex
Hi mate it's a long shot have you tried the ECU?Good lucky Tony
-
Jesus325iTouring
- Frog freak !

- Posts: 11356
- Joined: Sun Jan 09, 2005 11:00 pm
- Location: Omnipresent!
Is it DEFINATLY wired correctly?
I DEFINATLY wired mine correctly only to be told by Brian Moooooooore it wasn't!
I DEFINATLY wired mine correctly only to be told by Brian Moooooooore it wasn't!

X5 V8 for thrills, CRV for chills, Range Rover P38 V8 for sooooo much aggravation...
- Brianmoooore
- E30 Zone Team Member

- Posts: 49358
- Joined: Mon Jan 10, 2005 11:00 pm
Whatever is wrong with this car is simple and trivial. To suggest breaking it because of this is ridiculous!
It's just a simple electric motor whose pinion is thrown over by a solenoid to engage with the teeth around the flywheel.
Can't even decide yet from all the above whether it's an electrical or mechanical fault!
It's just a simple electric motor whose pinion is thrown over by a solenoid to engage with the teeth around the flywheel.
Can't even decide yet from all the above whether it's an electrical or mechanical fault!
-
daimlerman
- **BANNED**
- Posts: 15968
- Joined: Mon Feb 27, 2006 11:00 pm
- Location: Grumpy Old Man
Starter did'nt like engaging on one of mine,fitted a new battery and off she went....
- Brianmoooore
- E30 Zone Team Member

- Posts: 49358
- Joined: Mon Jan 10, 2005 11:00 pm
What tests have been done? What's the voltage on the starter terminals when the starter's engaged? Have you tried working it from the diagnostic socket? What's the voltage on the battery terminals when the starter's engaged?
And what's this doing in 'E30 chat'?
And what's this doing in 'E30 chat'?
Yes Brian, I've tried doing it using the diagnostic socket, still no joy - pins 14 and 11, right?
I know for a fact that it isn't mechanical as I've tried 3 starter motors, a new gearbox and the flywheel is in perfect nick. I've changed the whole engine loom for one I know works (I heard the donor car running)
And it was in Car chat because I was asking for opinions on what I should expect to recoup by breaking the car. I have a post in technical help also with a grand total of three replies lol[/b]
I know for a fact that it isn't mechanical as I've tried 3 starter motors, a new gearbox and the flywheel is in perfect nick. I've changed the whole engine loom for one I know works (I heard the donor car running)
And it was in Car chat because I was asking for opinions on what I should expect to recoup by breaking the car. I have a post in technical help also with a grand total of three replies lol[/b]
- Brianmoooore
- E30 Zone Team Member

- Posts: 49358
- Joined: Mon Jan 10, 2005 11:00 pm
I've locked the other thread so it doesn't get any more replies and we end up with two similar threads running together.
The fact that all the parts have been changed/are new doesn't necessarily mean it's not a mechanical problem. They still have to be assembled/fitted correctly!
What exactly does happen when you turn the key? Does the starter motor turn? Does it turn the engine? What are the voltages I've mentioned above?
You can't seriously be considering breaking a cab for something as trivial as this!
The fact that all the parts have been changed/are new doesn't necessarily mean it's not a mechanical problem. They still have to be assembled/fitted correctly!
What exactly does happen when you turn the key? Does the starter motor turn? Does it turn the engine? What are the voltages I've mentioned above?
You can't seriously be considering breaking a cab for something as trivial as this!
Nah, I'm considering breaking the car due to other factors also, it needs MOT and TAX and a new roof, and I'm just wondering whether it would be worth me spending the money and time on it.
When I turn the key, the starter motor spins freely completely missing the flywheel so the engine doesn't turn. I know the engine runs, and the teeth on the flywheel are perfect. The engine, gearbox and starter motor have all come from a car that I have heard running with no problems, so the problem has to be that I've assembled them incorrectly or there is something on the car that I haven't changed which causes the problem. The engine loom has also been changed so that leaves me with the fusebox or the interior loom. I'll check the voltages when I've got a mate spare one evening this week.
Not wishing to sound arrogant, I'm genuinely asking - how is it I could put the gearbox and/or starter on incorrectly?
Thanks for helping me by the way
When I turn the key, the starter motor spins freely completely missing the flywheel so the engine doesn't turn. I know the engine runs, and the teeth on the flywheel are perfect. The engine, gearbox and starter motor have all come from a car that I have heard running with no problems, so the problem has to be that I've assembled them incorrectly or there is something on the car that I haven't changed which causes the problem. The engine loom has also been changed so that leaves me with the fusebox or the interior loom. I'll check the voltages when I've got a mate spare one evening this week.
Not wishing to sound arrogant, I'm genuinely asking - how is it I could put the gearbox and/or starter on incorrectly?
Thanks for helping me by the way
-
Martinaston
- E30 Zone Addict

- Posts: 3749
- Joined: Mon Mar 14, 2005 11:00 pm
- Location: London
Not wishing to sound arrogant, I'm genuinely asking - how is it I could put the gearbox and/or starter on incorrectly?
Don't be offended, those questions have to be asked otherwise you get answers like "ok but where are the spark plugs ?" from people that have never looked under the bonnet before and think they can ask a question on here and cure all there problems.
The biggest hurdle is trying to explain in writing how to fix things when the person asking doesn't have a very good technical understanding of how the thing works to start with.
I'd try the starter off the car to see if its flicking the spindle forward first, you never know you may have three duff ones.
Don't be offended, those questions have to be asked otherwise you get answers like "ok but where are the spark plugs ?" from people that have never looked under the bonnet before and think they can ask a question on here and cure all there problems.
The biggest hurdle is trying to explain in writing how to fix things when the person asking doesn't have a very good technical understanding of how the thing works to start with.
I'd try the starter off the car to see if its flicking the spindle forward first, you never know you may have three duff ones.
There is NO nucleus.
It's not that I was offended at all, I totally understand mate, I get it all the time in work.Martinaston wrote:Not wishing to sound arrogant, I'm genuinely asking - how is it I could put the gearbox and/or starter on incorrectly?
Don't be offended, those questions have to be asked otherwise you get answers like "ok but where are the spark plugs ?" from people that have never looked under the bonnet before and think they can ask a question on here and cure all there problems.
The biggest hurdle is trying to explain in writing how to fix things when the person asking doesn't have a very good technical understanding of how the thing works to start with.
I'd try the starter off the car to see if its flicking the spindle forward first, you never know you may have three duff ones.
I've tried all the starters off the car and the solenoid throws the gear out as it should.
-
Martinaston
- E30 Zone Addict

- Posts: 3749
- Joined: Mon Mar 14, 2005 11:00 pm
- Location: London
The only thing i can surgest then is to get the tape measure out and compare the gaps. 
There is NO nucleus.

